
SM-22 WG-WPWH (Water Resistant – SPDT)
4.13″L×.65″W×.63″H Surface Mount Commercial Type
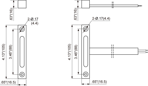
Contact Size: 4.13″L×.65″W×.63″H
(105mm×16.5mm×16mm)
Standard Magnet Size: 4.13″L×.65″W×.63″H
(105mm×16.5mm×16mm)
Standard Gap: 2″(50mm)
Colors: White, Brown, Gray
18″(458mm) 22 AWG Jacketed Leads
Longer leads available
Specifications
| Part Number | Gap Inch (mm) | Loop Open/ Closed | Reed Form | Max. Contact Rating (W) | Max. Initial Contact Resistance (mΩ) | Max. Switching Voltage (V) | Max. Switching Current (A) |
|---|---|---|---|---|---|---|---|
| SM-20 WG | 2″(50) | CLOSED | Normally Open | 10 | 100 | AC110/DC100 | 0.5 |
| SM-21 WG | 2″(50) | OPEN | Normally Closed | 3 | 100 | AC30/DC30 | 0.2 |
| * SM-22 WG Special Order | 1.5″(38) | SPDT | SPDT | 3 | 100 | AC30/DC30 | 0.2 |
| * SM-24 WG Special Order | 1.38″(35) | DPDT | DPDT | 3 | 100 | AC30/DC30 | 0.2 |
| SM-22 WG-WPWH | 1.5″(38) | SPDT | SPDT | 3 | 100 | AC30/DC30 | 0.2 |
OPERATING TEMPERATURE:-40°C to +60°C
*SPECIAL ORDER – Call for Min. Order Qty. – Leadtime – Pricing
Outline Dimensions Unit: inch(mm)
SM-20 WG/SM-21 WG

SM-22 WG
SM-22 WG-WP WH

SM-24 WG

SM-22 WG & SM-22WG-WPWH Wiring Diagram

SM-24 WG Wiring Diagram









